Bu lông mặt bích đầu lục giác ASME B18.2.1
1.Asme B18.2.1-8 Bu lông mặt bích đầu lục giác
2. Nhà sản xuất Bolt, nhà máy riêng: Với lợi thế về giá, loại bỏ chênh lệch giá của người trung gian.
3. Dadopt Thép dày chất lượng cao hàng đầu của ngành, độ ổn định cao và độ bền lâu dài.
4. Tùy chỉnh khách hàng hỗ trợ.
5. Bán hàng chuyên nghiệp và dịch vụ sau bán hàng, chào mừng bạn đến để hỏi bất cứ lúc nào.
6. Phân tích đúng giờ.
Bu lông mặt bích đầu lục giác ASME B18.2.1: Sức mạnh được thiết kế để buộc chặt
Bu lông mặt bích đầu lục giác ASME B18.2.1là các ốc vít hiệu suất cao được thiết kế cho các ứng dụng công nghiệp và cấu trúc. Những bu lông này có mộtĐầu hình lục giác với mặt bích tích hợp, phân phối tải đều hơn, loại bỏ sự cần thiết của các vòng đệm riêng biệt. Tuân thủ vớiTiêu chuẩn ASME B18.2.1, các bu lông này đảm bảo tính đồng nhất, sức mạnh và độ tin cậy giữa các dự án kỹ thuật và xây dựng khác nhau.
Cho dù được sử dụng trong lắp ráp ô tô, máy móc hoặc kết nối cấu trúc hạng nặng,Bu lông mặt bích đầu lục giác ASME B18.2.1Cung cấp hiệu suất vượt trội, lực kẹp vượt trội và độ bền lâu dài.
Bu lông mặt bích đầu Hex Asme B18.2.1 là gì?
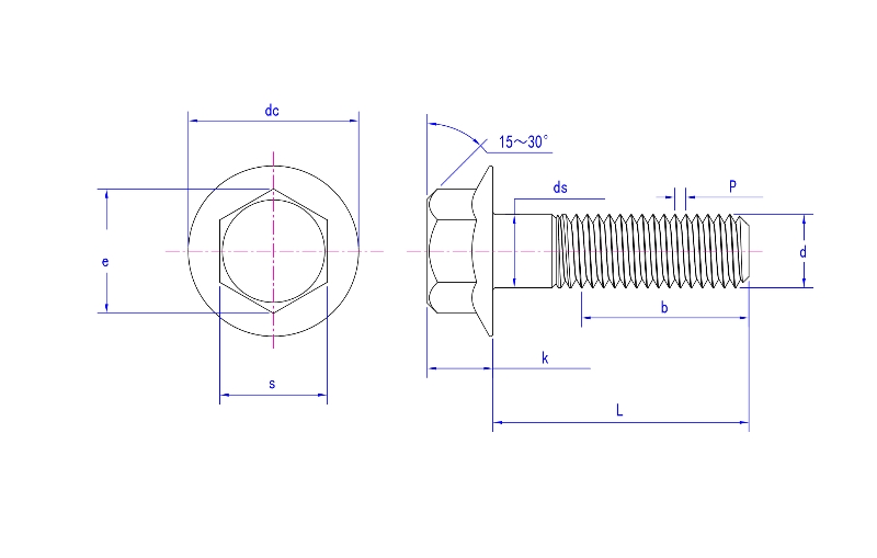
Bu lông mặt bích đầu lục giác ASME B18.2.1là các ốc vít được gia công chính xác với mộtĐầu hình lục giácvà aMặt bích hình trònbên dưới đầu. Mặt bích hoạt động như một máy giặt tích hợp, lan truyền lực kẹp trên một khu vực lớn hơn để giảm áp lực lên bề mặt vật liệu.
Các tính năng chính củaBu lông mặt bích đầu lục giác ASME B18.2.1bao gồm:
Tuân thủASME B18.2.1, đảm bảo độ chính xác và khả năng thay thế kích thước
Mặt bích tích hợpĐể cải thiện phân phối tải và khả năng chống rung
Làm từThép carbon, thép không gỉ hoặc thép hợp kimĐể tăng cường sức mạnh
Có sẵn trong một loạt cácSân chủ đề, bao gồm các tùy chọn chủ đề thô và tốt
Được cung cấp trong nhiều lớp hoàn thiện bề mặt nhưmạ kẽmThìoxit đen, hoặcNóng nhúng mạ kẽm
CácBu lông mặt bích đầu lục giác ASME B18.2.1thường được sử dụng ở nơi nhanh chóng, đáng tin cậy và an toàn là rất quan trọng.
Ưu điểm của bu lông mặt bích đầu lục giác ASME B18.2.1
Tăng cường lực kẹp
Mặt bích tích hợp củaBu lông mặt bích đầu lục giác ASME B18.2.1Tăng diện tích tiếp xúc giữa bu lông và phôi, cung cấp kết nối chặt chẽ hơn, an toàn hơn mà không cần máy giặt.Tuân thủ và đồng nhất
Được sản xuất đểTiêu chuẩn ASME B18.2.1, các bu lông này đảm bảo tính nhất quán về kích thước và hiệu suất, làm cho chúng trở nên lý tưởng cho các dự án kỹ thuật quy mô quốc tế và quy mô lớn.Khả năng chống rung
Thiết kế mặt bích giúp chống lại sự nới lỏng do độ rung và tải động, làm choBu lông mặt bích đầu lục giác ASME B18.2.1Hoàn hảo cho máy móc, động cơ và phương tiện.Tiết kiệm thời gian và chi phí
Loại bỏ sự cần thiết của các vòng đệm riêng biệt đơn giản hóa việc cài đặt và giảm chi phí thành phần trong các dây chuyền lắp ráp và công việc thực địa.Kháng ăn mòn
Tùy thuộc vào vật liệu và kết thúc,Bu lông mặt bích đầu lục giác ASME B18.2.1Cung cấp khả năng chống ăn mòn tuyệt vời, làm cho chúng phù hợp cho cả sử dụng trong nhà và ngoài trời.
Các ứng dụng của bu lông mặt bích đầu lục giác ASME B18.2.1
Ngành công nghiệp ô tô- Giá treo động cơ, hệ thống treo và lắp ráp khung gầm
Máy móc hạng nặng- Hộp số, hệ thống thủy lực và vỏ cơ khí
Dự án xây dựng-Cấu trúc thép, cầu và các tòa nhà được thiết kế trước
Thiết bị sản xuất- Hệ thống băng tải, cánh tay robot và lắp đặt nhà máy
Sức mạnh và năng lượng- tuabin gió, khung bảng điều khiển năng lượng mặt trời và lắp máy biến áp
Bất cứ nơi nào sức mạnh, độ chính xác và độ bền được yêu cầu,Bu lông mặt bích đầu lục giác ASME B18.2.1Cung cấp độ tin cậy chưa từng có.
Các lựa chọn xử lý vật liệu & bề mặt
Thép carbon- Mạnh mẽ và kinh tế, phù hợp cho sử dụng công nghiệp nói chung
Thép không gỉ (304/316)- Kháng ăn mòn tuyệt vời, lý tưởng cho môi trường biển và hóa học
Thép hợp kim- Độ bền kéo cao cho các ứng dụng yêu cầu
Kết thúc tùy chọn-Oxit mạ kẽm, mạ kẽm hoặc oxit đen để bảo vệ thêm
Lựa chọn vật liệu và lớp phủ choBu lông mặt bích đầu lục giác ASME B18.2.1có thể được điều chỉnh để đáp ứng các yêu cầu cụ thể của dự án và môi trường.
Phần kết luận
Nếu dự án của bạn yêu cầu sức mạnh buộc cao hơn, khả năng chống rung và tuân thủ các tiêu chuẩn quốc tế, thì không có gì khác ngoàiBu lông mặt bích đầu lục giác ASME B18.2.1. Các bu lông này được thiết kế cho độ bền và hiệu quả, kết hợp lực kẹp mạnh mẽ của máy giặt với tính đơn giản của dây buộc một mảnh.
ChọnBu lông mặt bích đầu lục giác ASME B18.2.1Đối với ứng dụng công nghiệp, ô tô hoặc cấu trúc của bạn và trải nghiệm sự khác biệt về hiệu suất và độ tin cậy.
Hình ảnh
Vẽ sản phẩm





